Summary
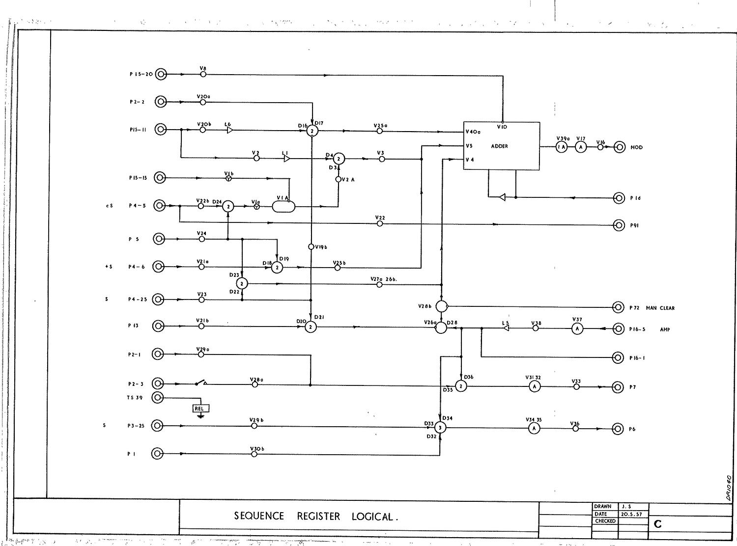
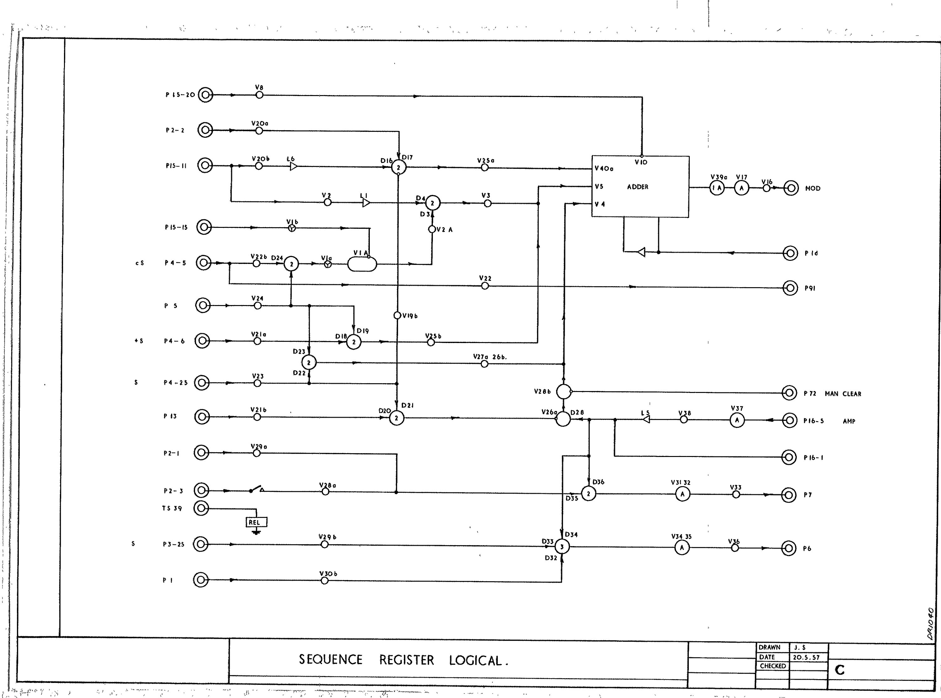
Logical diagram in hard copy relating to the computer CSIRAC.
This diagram is a copy of a diagram created in Sydney.
A logical diagram is a detailed graphical representation of one of the principal parts of CSIRAC. Each functional component is represented by a symbol. The diagram shows the connections between these components. In CSIRAC, each functional component consisted of several physical components such as vacuum tubes, resistors and capacitors. Logical diagrams are used to understand the functioning of a circuit.
Technical details:
Logical Diagram. Subsystem: Control. Drawn/checked by J.S.
Original Ink on Tracing Paper, Drawing Size C
Final cct. incorporates mods on SKE... (DR1140)
Description of Content
Logical Diagram Original Ink on Tracing p. Subsystem: Control Drawings Comments: Final cct. incorporates mods on SKE... (DR1140)
More Information
-
Collection Names
-
Collecting Areas
-
Acquisition Information
Donation from Computer Science & Software Engineering Department, University of Melbourne (The), by Jul 2003
-
Commissioned By
University of Melbourne (The), Melbourne, Greater Melbourne, Victoria, Australia, 20 May 1957
-
Date Created
-
Collector
CSIRAC History Team, Melbourne, Greater Melbourne, Victoria, Australia, 1995 or later
-
Format
drawing
-
Classification
-
Category
-
Discipline
-
Type of item
-
Keywords
Computing, CSIRAC (Computer), First Generation Computers, Mainframe Computers, Making History - CSIRAC