Summary
Logical diagram in hard copy relating to the computer CSIRAC.
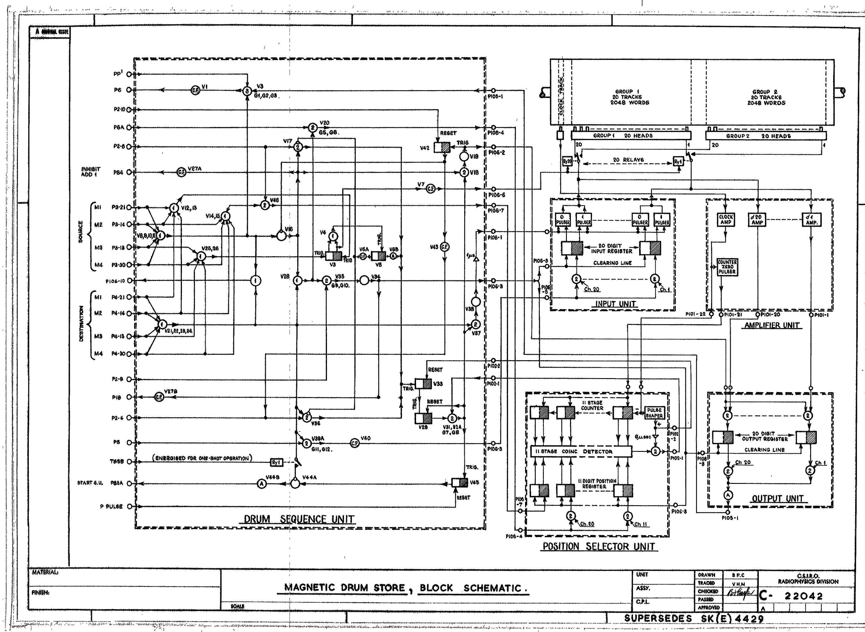
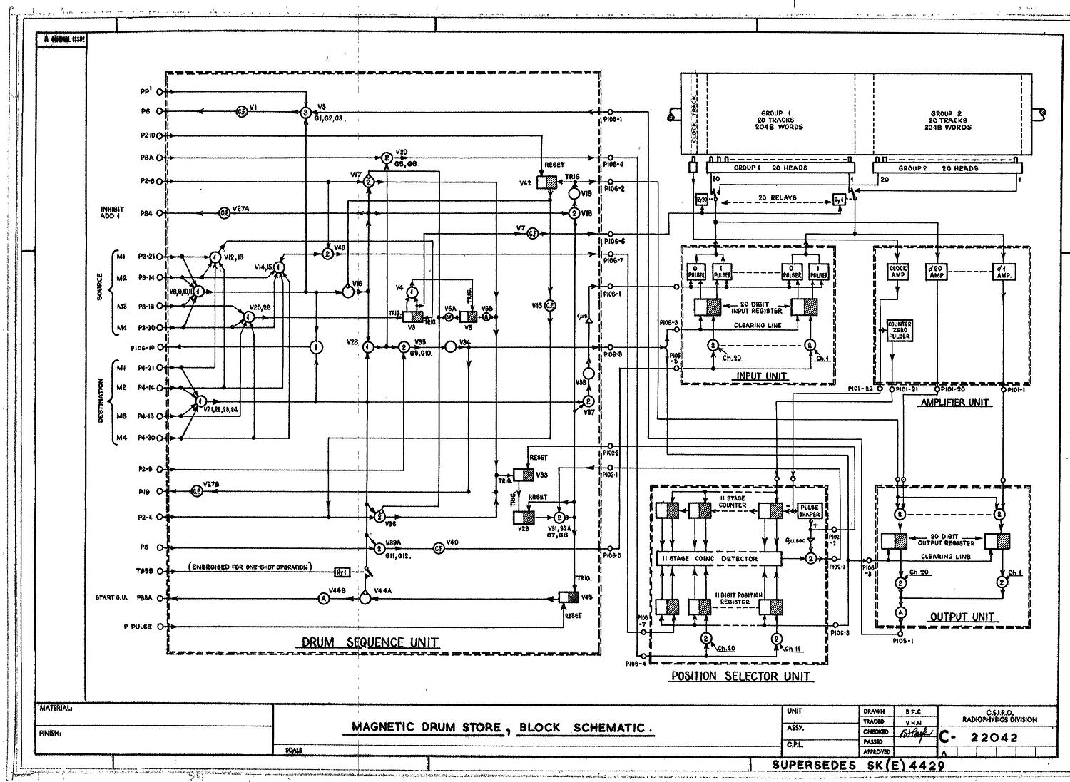
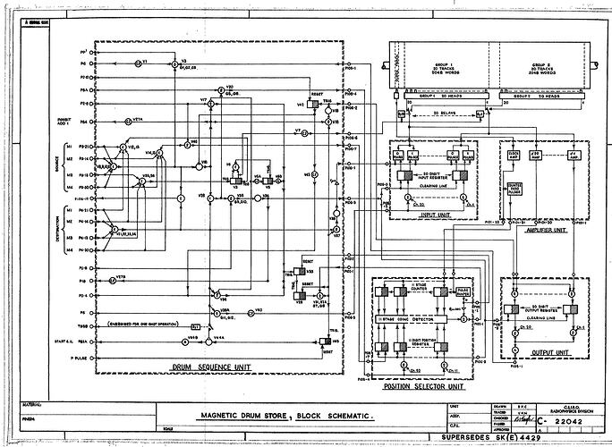
A logical diagram is a detailed graphical representation of one of the principal parts of CSIRAC. Each functional component is represented by a symbol. The diagram shows the connections between these components. In CSIRAC, each functional component consisted of several physical components such as vacuum tubes, resistors and capacitors. Logical diagrams are used to understand the functioning of a circuit.
Technical details:
Logical Diagram. Subsystem: Drum. Drawn/checked by B.F.C.  V.H.N. B.F. Coooper
Original Ink on Tracing Paper
Supersedes SK(E)4429
Description of Content
Logical Diagram Original Ink on Tracing p. Subsystem: Drum Drawings Comments: Superceeds SK(E)4429
More Information
- 
                                Collection Names
- 
                                Collecting Areas
- 
                                Acquisition InformationDonation from Computer Science & Software Engineering Department, University of Melbourne (The), by Jul 2003 
- 
                                Commissioned ByDivision of Radiophysics, Commonwealth Scientific & Industrial Research Organisation (CSIRO), Sydney, Greater Sydney, New South Wales, Australia, 1952-1955 
- 
                                CollectorCSIRAC History Team, Melbourne, Greater Melbourne, Victoria, Australia, 1995 or later 
- 
                                Formatdrawing 
- 
                                Classification
- 
                                Category
- 
                                Discipline
- 
                                Type of item
- 
                                KeywordsComputing, CSIRAC (Computer), First Generation Computers, Mainframe Computers, Making History - CSIRAC 
 
             
         
        