Summary
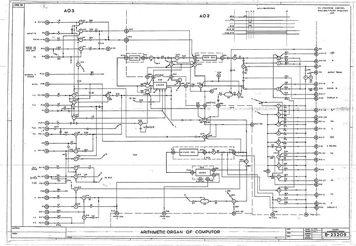
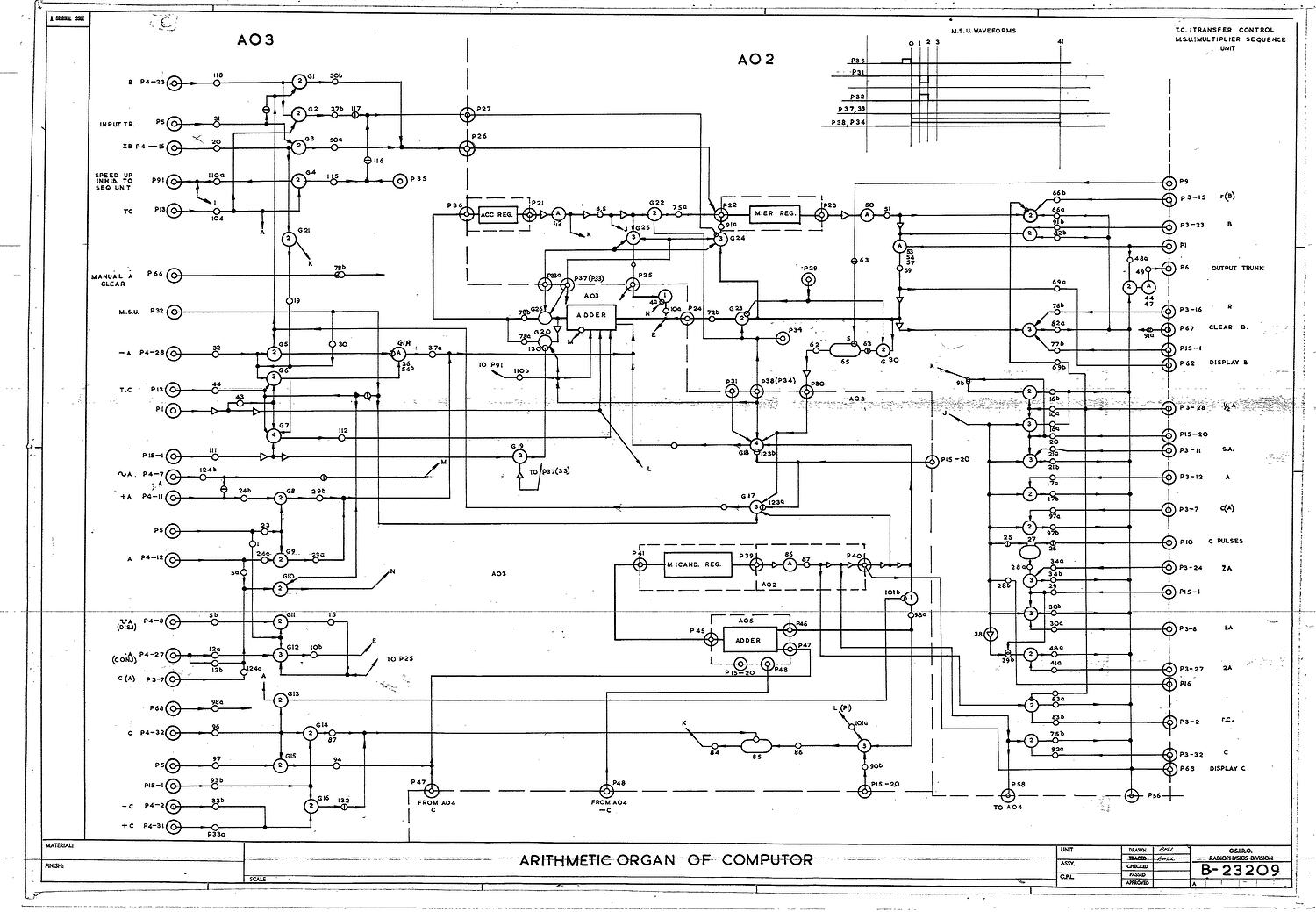
Logical diagram in hard copy relating to the computer CSIRAC.
A logical diagram is a detailed graphical representation of one of the principal parts of CSIRAC. Each functional component is represented by a symbol. The diagram shows the connections between these components. In CSIRAC, each functional component consisted of several physical components such as vacuum tubes, resistors and capacitors. Logical diagrams are used to understand the functioning of a circuit.
Technical details:
Logical Diagram. Subsystem: Arithmetic Unit. Drawn/checked by P.M.L. P.M.L.
Original Ink on Tracing Paper
Description of Content
Logical Diagram Original Ink on Tracing p. Subsystem: Arithmetic Unit
More Information
-
Collection Names
-
Collecting Areas
-
Acquisition Information
Donation from Computer Science & Software Engineering Department, University of Melbourne (The), by Jul 2003
-
Commissioned By
Division of Radiophysics, Commonwealth Scientific & Industrial Research Organisation (CSIRO), Sydney, Greater Sydney, New South Wales, Australia, 1952-1955
-
Collector
CSIRAC History Team, Melbourne, Greater Melbourne, Victoria, Australia, 1995 or later
-
Format
drawing
-
Classification
-
Category
-
Discipline
-
Type of item
-
Keywords
Computing, CSIRAC (Computer), First Generation Computers, Mainframe Computers, Making History - CSIRAC