Summary
Mechanical diagram in hard copy relating to the computer CSIRAC.
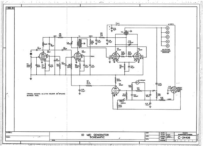
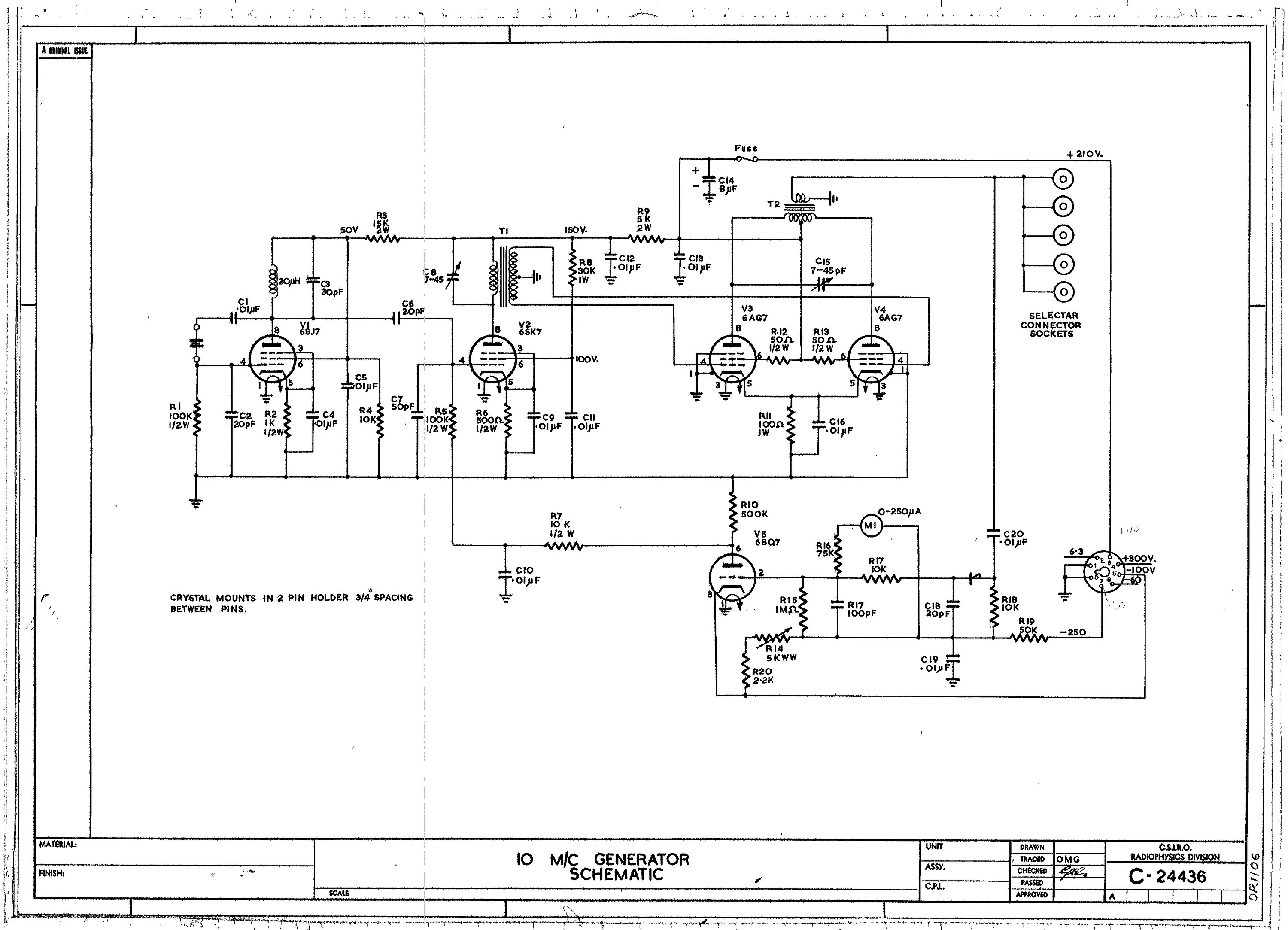
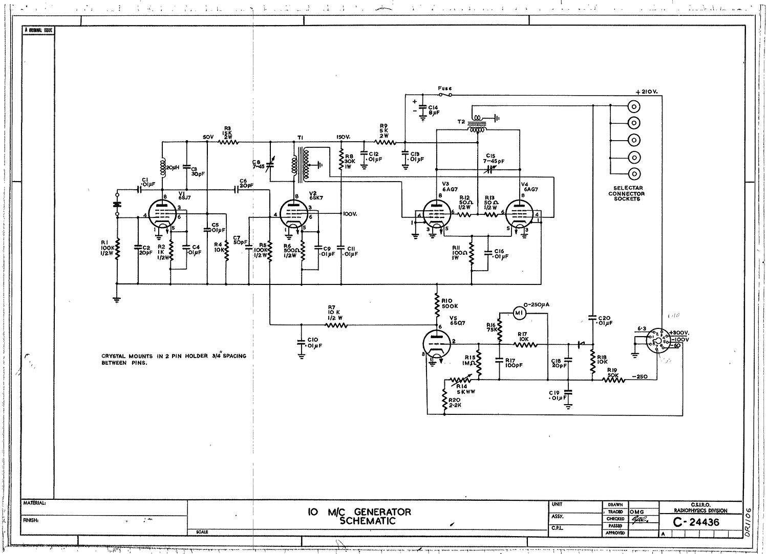
Mechanical drawings show the physical construction of a component. They were used to define what was required in the manufacture of CSIRAC's hardware.
Technical details:
Mechanical Drawing. Subsystem: Peripherals. Drawn/checked by R. Kenna Peddie
Original Ink on Tracing Paper
Unit: 1743; C.P.L. 24031
Scale:Quarter full size
Description of Content
Schematic Diagram Original Ink on Tracing p. Subsystem: Memory
More Information
-
Collection Names
-
Collecting Areas
-
Acquisition Information
Donation from Computer Science & Software Engineering Department, University of Melbourne (The), by Jul 2003
-
Commissioned By
Division of Radiophysics, Commonwealth Scientific & Industrial Research Organisation (CSIRO), Sydney, Greater Sydney, New South Wales, Australia, 1948-1955
-
Collector
CSIRAC History Team, Melbourne, Greater Melbourne, Victoria, Australia, 1995 or later
-
Format
drawing
-
Classification
-
Category
-
Discipline
-
Type of item
-
Keywords
Computing, CSIRAC (Computer), First Generation Computers, Mainframe Computers, Making History - CSIRAC