Summary
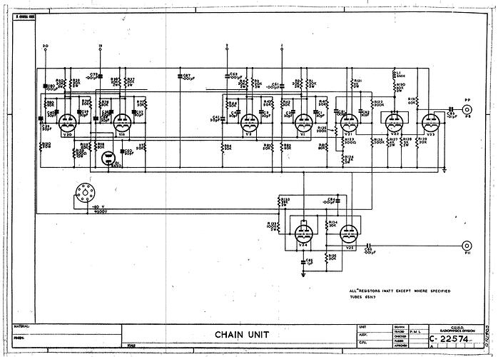
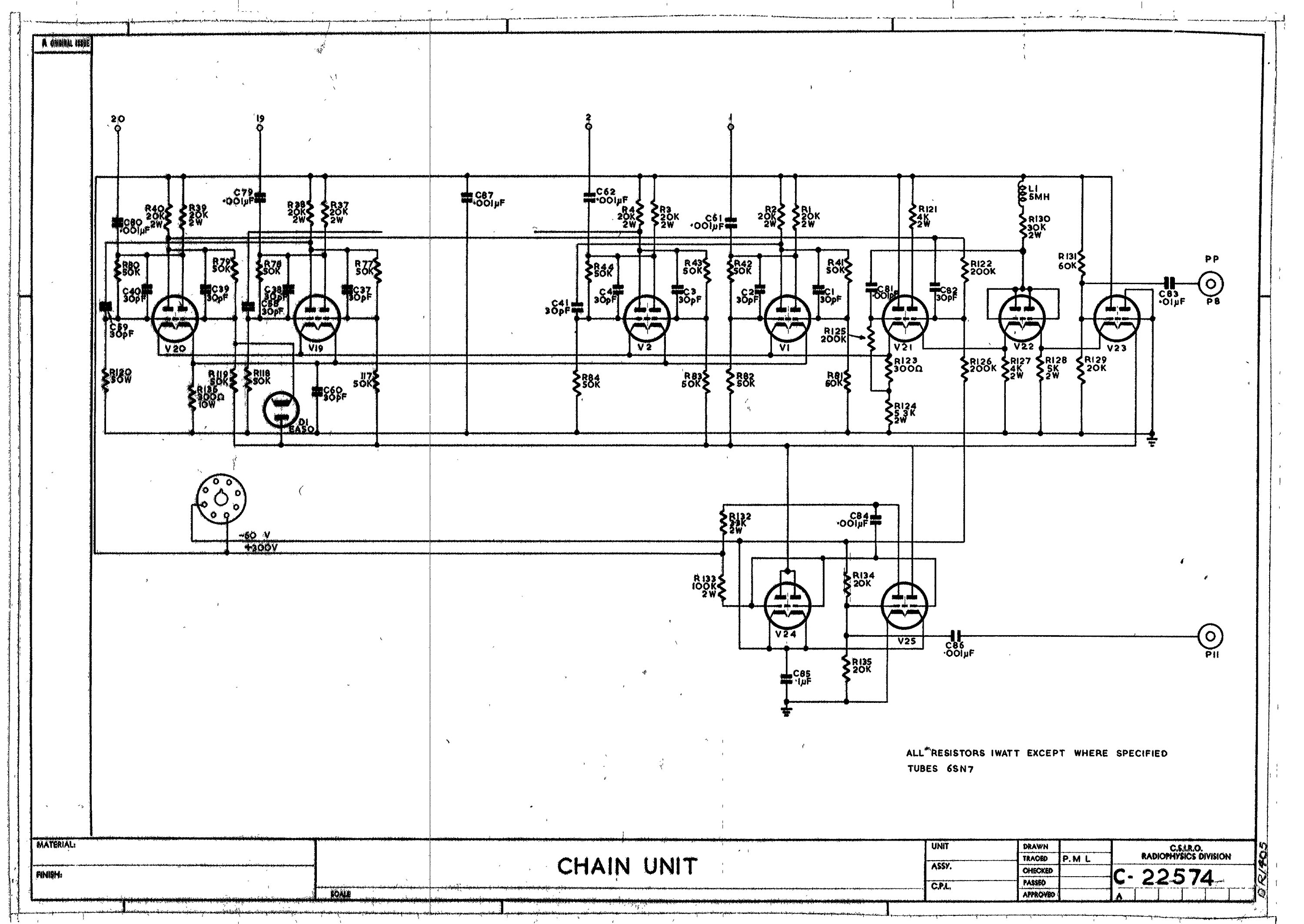
Schematic diagram in hard copy relating to the computer CSIRAC.
A schematic diagram shows the detailed connections between all the components in a circuit. Such diagrams were used to build circuits and later for testing. For CSIRAC, the most common components were vacuum tubes (valves), capacitors and resistors. Schematic diagrams are also known as circuit diagrams.
Technical details:
Schematic Diagram. Subsystem: Control. Drawn/checked by P.M.L.
Original Ink on Tracing Paper
Description of Content
Schematic Diagram Original Ink on Tracing p. Subsystem: Control
More Information
-
Collection Names
-
Collecting Areas
-
Acquisition Information
Donation from Computer Science & Software Engineering Department, University of Melbourne (The), by Jul 2003
-
Commissioned By
Division of Radiophysics, Commonwealth Scientific & Industrial Research Organisation (CSIRO), Sydney, Greater Sydney, New South Wales, Australia, 1948-1955
-
Collector
CSIRAC History Team, Melbourne, Greater Melbourne, Victoria, Australia, 1995 or later
-
Format
drawing
-
Classification
-
Category
-
Discipline
-
Type of item
-
Keywords
Computing, CSIRAC (Computer), First Generation Computers, Mainframe Computers, Making History - CSIRAC